
تاريخ الفيزياء

علماء الفيزياء


الفيزياء الكلاسيكية

الميكانيك

الديناميكا الحرارية


الكهربائية والمغناطيسية

الكهربائية

المغناطيسية

الكهرومغناطيسية


علم البصريات

تاريخ علم البصريات

الضوء

مواضيع عامة في علم البصريات

الصوت


الفيزياء الحديثة


النظرية النسبية

النظرية النسبية الخاصة

النظرية النسبية العامة

مواضيع عامة في النظرية النسبية

ميكانيكا الكم

الفيزياء الذرية

الفيزياء الجزيئية


الفيزياء النووية

مواضيع عامة في الفيزياء النووية

النشاط الاشعاعي


فيزياء الحالة الصلبة

الموصلات

أشباه الموصلات

العوازل

مواضيع عامة في الفيزياء الصلبة

فيزياء الجوامد


الليزر

أنواع الليزر

بعض تطبيقات الليزر

مواضيع عامة في الليزر


علم الفلك

تاريخ وعلماء علم الفلك

الثقوب السوداء


المجموعة الشمسية

الشمس

كوكب عطارد

كوكب الزهرة

كوكب الأرض

كوكب المريخ

كوكب المشتري

كوكب زحل

كوكب أورانوس

كوكب نبتون

كوكب بلوتو

القمر

كواكب ومواضيع اخرى

مواضيع عامة في علم الفلك

النجوم

البلازما

الألكترونيات

خواص المادة


الطاقة البديلة

الطاقة الشمسية

مواضيع عامة في الطاقة البديلة

المد والجزر

فيزياء الجسيمات


الفيزياء والعلوم الأخرى

الفيزياء الكيميائية

الفيزياء الرياضية

الفيزياء الحيوية

الفيزياء العامة


مواضيع عامة في الفيزياء

تجارب فيزيائية

مصطلحات وتعاريف فيزيائية

وحدات القياس الفيزيائية

طرائف الفيزياء

مواضيع اخرى
دائرات التغذية الخلفية
المؤلف:
د/محمد فاروق أحمد و د/محمد خضر كاتب
المصدر:
أسس الإلكترونيات
الجزء والصفحة:
191
23-9-2021
2733
دائرات التغذية الخلفية
من حيث المبدأ يمكن تحقيق التغذية الخلفية سواء السالبة أو الموجبة بالجهد أو بالتيار في مرحلة واحدة أو بين مرحلتين أو أكثر من مراحل التكبير. وتكون التغذية الخلفية بالجهد المعاد من المخرج إلى المدخل متناسباً مع جهد الخرج . أما إذا كانت قيمة الجهد المعاد إلى المدخل متناسباً مع التيار فتكون التغذية الخلفية في هذه الحالة بالتيار.
ولتحقيق التغذية الخلفية بالتيار على التوالي في مرحلة معينة فإنه يكفي الغاء السعة الموصلة على التوازي مع مقاومة الباعث (مقاومة الكاثود) والتي تقوم بترشيح جهد الباعث (الكاثود) بحيث يبقى ثابتاً وغير متأثرا بقدوم نبضات الدخل. وعلى ذلك فإن دارة المكبر تمثل دارة مكبريحتوي على تغذية خلفية سالبة بالتيار موصلة على التوالي مع المدخل. كذلك فإن التابع الباعثي (أوالتابع الكاثودي) يعتبرمثالأ للتغذية الخلفية السالبة.
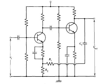
ويمكن من حيث المبدأ تحقيق التغذية الخلفية بالجهد على التوالي في مرحلة واحدة إلا أن هذا النوع من التغذية الخلفية يتم عادة بين مرحلتين أوثلاث مراحل وهناك عدة طرق لتحقيق التغذية الخلفية بالجهد بين المراحل. ويبين شكل (1) دارة مكبرمكون من مرحلتين يحتوي على تغذية خلفية سالبة بالجهد ، وتتم التغذية الخلفية السالبة في هذه الدارة بين مجمع المرحلة الثانية وباعث المرحلة الأولى خلال المقاومة R1. وتكون هذه المقاومة مع كل من المكثف C1 والمقاومة R2 دارة التغذية الخلفية بمعامل β مقداره
........(1)

(1)شكل
وأما المكثف C1 الموصل على التوالي مع كل من R2 . Rl فالغرض منه منع وصول المركبة المستمرة لمجمع الترانزستور الثاني إلى باعث الترانزستور الأول.
ويسهل تحويل التغذية الخلفية السالبة إلى موجبة وذلك بتوصيل المخرج (مجمع الترانزستور الثاني) بقاعدة الترانزستور الأول خلال كل من السعة C1 ومقاومة (ما هومعامل التغذية الخلفية الموجبة في هذه الحالة؟) . كذلك يمكن تحقيق التغذية الخلفية الموجبة بأخذ المخرج من باعث الترانزستور الثاني وتوصيله بباعث الترانزستور الأول.
وبنفس الأسلوب يمكن تحقيق تغذية خلفية سالبة أو موجبة بين ثلاث مراحل مع الأخذ في الإعتبار أن فرق الطور بين النبضة المعادة ونبضة الدخل يجب أن تكون مساوية π في حالة التغذية الخلفية السالبة 0 أو 2π أو مضاعفاتها في حالة التغذية الخلفية الموجبة.
الاكثر قراءة في الألكترونيات
اخر الاخبار
اخبار العتبة العباسية المقدسة
الآخبار الصحية

قسم الشؤون الفكرية يصدر كتاباً يوثق تاريخ السدانة في العتبة العباسية المقدسة
"المهمة".. إصدار قصصي يوثّق القصص الفائزة في مسابقة فتوى الدفاع المقدسة للقصة القصيرة
(نوافذ).. إصدار أدبي يوثق القصص الفائزة في مسابقة الإمام العسكري (عليه السلام)