دوائر التحكم في تغيير الخطوة (حالة الحمل)
المؤلف:
الدكتور كاميليا يوسف محمد
المصدر:
المحولات الكهربائية
الجزء والصفحة:
230
5-11-2021
2327
دوائر التحكم في تغيير الخطوة (حالة الحمل)
حدث مؤخراً تقدم كبير جدا في دوائر التحكم في تغيير الخطوة مع وجود الحمل. تتم عملية تغيير الخطوة اساساً بدوائر ميكانيكية وأخرى كهربائية ، لاعطاء اشارة البداية للمحركات - التي يتم عن طريقها تغيير الخطوة - حيث يدور المحرك في اتجاه معين لرفع الخطوة ، وعندما يدور في الاتجاه المضاد يحدث خفض للخطوة.
المحولات ذات القدرات الصغيرة يتم تغيير الخطوة بها يدوياً، بينما يتم تغيير الخطوة في المحولات ذات القدرات الكبيرة آلياً ، بالأضافة الى أنه يمكن تغيير الخطوة بها للتغلب على الحالات الطارئة.
حيث أن الغرض من مغيرات الجهد للمحولات هو الحفاظ على قيمة جهد المخرج مستقرا، عندما يتغير جهد المدخل نتيجة انخفاض الجهد ، بالاضافة الى تغيير عوامل النظام فانه للتحكم في جهد المحول يحتاج الامر الى محول جهد يوصل على جانب الجهد للتحكم فيه للمحول الرئيسي، ويغذي مخرج محول الجهد ملف الجهد لجهاز تحكم ذي حساسية للتغيير في الجهد، يكون متصلاً بنقط تلامس بداية الحركة لمغير الجهد ، في اتجاه الحركة المطلوب عادة يزود جهاز التحكم بعنصر تأخير زمني للتغلب على التشغيل غير المرغوب فيه أو حالة اقتناص لتغيير الجهد خلال حالة الموجه العابرة يوضح شكل (1) الفكرة الاساسية لجهاز التحكم ذي الحساسية للتغير في الجهد ، يتم توصيل محول الجهد بين الوجهين A, C، ويوصل محول التيار على الوجه A ، كما يتم توصيل الملف الثانوي له على ممانعة ومقاومة متغيره.

شكل (1)
يغذى ملف الجهد لجهاز التحكم بمحصلة فرق الجهد على المقاومة والممانعة مطروحاً منه جهد مخرج محول الجهد. الأساس في الجهاز أن يصبح متزناً بصفة مستمرة، أي أن قيمة فرق الجهد على المقاومة والممانعة تساوي قيمة جهد مخرج محول الجهد. أما في حالة حدوث عدم اتزان بقيمة موجبة، أي حين تكون قيمة التيار قد زادت، وبالتالي اصبح فرق الجهد على المقاومة والممانعة أكبر من قيمة جهد مخرج محول الجهد ، فان الجهاز يعطي اشارة لرفع جهد الخط عند نهاية الطرف بقيمة مساوية لانخفاض معاوقة الخط . وعند حدوث عدم اتزان بقيمة سالبة يحدث العكس , غالباً يستخدم جهاز التحكم على الأوجه
الثلاثة.

شكل (2) عنصر التحكم في جهاز AVE5
يوجد نوعان من متممات تحكم الجهد آلياً ويرمز لها (A V R) ، النوع الاول، وهو النوع القديم، أجهزة ميكانيكية كهربائية ذات غاطس متزن، والنوع الثاني وهو المنوع الحديث ، متممات الجهد من المواد شبه الموصلة في النوع الاول، لتعويض خفض الجهد ، يحتوى الجهاز على مقاومة متغيرة خارجية متصلة على التوالي، وذلك لتنظيم عنصر الجهد، تحتوي على ثلاثة قيم للضبط :
1- التغير من 90% الى 110% من قيمة الجهد المضبوط عند حالة اللاحمل.
2- حدود تغيير مستمر من صفر الى 15% لتعادل المقاومة.
3- حدود تغيير من صفر الى 15% التعادل الممانعة.
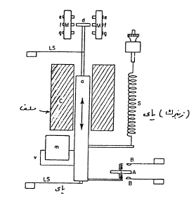
شكل (2) يوضح فكرة جهاز تحكم ذي غاطس متزن من طراز (AVE 5) يتكون الجهاز من ملف (c) ذي قلب حديدي يتحرك على دليل بواسطة عدد 2 زبرك ورقي (LS) وزمبرك تحكم (s)،احد طرفيه مثبت مع القلب الحديدي المتحرك (a) والطرف الآخر مثبت على هيكل الجهاز، حيث يضبط بعناية لحفظ اتزان وزن القلب (a)، ويكون في نفس الوقت وضع القرص (d) عند علامة المنتصف (f) ، كذلك يتم حفظ نقطة التلامس (A) بين التلامسين (B) عند تسليط الجهد المقنن.
عند ارتفاع الجهد أو انخفاضه، تقوم القوى المغناطيسية بتحريك القلب الحديدي الى أعلى أو الى اسفل، وتتلامس النقطة (A) مع النقطة (B) الى أعلى او الى أسفل، يحتوي الجهاز على مخمد تيارات اعصارية عبارة عن مغناطيس ثابت (M)، وتوجيه نحاس متحرك (v) لتقليل التذبذب.
شكل (3) يوضح جهاز من أجهزة التحكم الحديث وهي التي تحتوي على مواد شبه موصلة.
تحتوي المحولات على مبين خطوة لمغير الجهد كما في شكل (4 أ) .
كما تحتوي على عداد لتسجيل عدد مرات تشغيل مغير الجهد كما في شكل (4 ب) .

شكل (3)

شكل (4)
الاكثر قراءة في الكهربائية
اخر الاخبار
اخبار العتبة العباسية المقدسة